
Jonathan Ochshorn
© 2009 Jonathan Ochshorn.
A newer reinforced concrete design calculator that selects rebars for integrated beams, girders, and 1-way slabs, based on moment values and a specified geometry, can be found here.
Directions: Enter values for design (factored) moment, beam "stem" width, bw, effective depth, d, span, spacing, and slab thickness (not all parameters are used for all calculations). Note that design moment for slabs is calculated on a typical 1-ft wide section of the slab. Press "update" button.
The required reinforcement area, As, will be calculated (for slabs, the required spacing of a selected bar size is calculated). More detailed explanations and examples of reinforced concrete beam and slab design can be found in my text, available at no cost.
Note that the strength design method is used; moments must be computed based on factored loads.
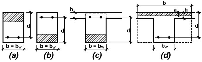
Calculator works for rectangular beams, positive-moment and negative-moment T-beams, and 1-way slabs, as shown in the sections below:

Disclaimer: This calculator is not intended to be used for the design of actual structures, but only for schematic (preliminary) understanding of structural design principles. For the design of an actual structure, a competent professional should be consulted.
First posted Sept. 4, 2009 | Last updated April 25, 2015
